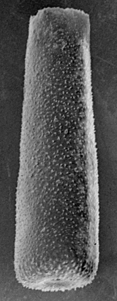
Eksemplar
GIT 212-10


| Kollektsiooni nr. | GIT 212 |
| Number | 212-10 |
| Vana nr. | Ch 23/1430 |
| Originaali staatus | holotüüp |
| Tüüp | mikrof. SEM alusel |
| Rühm | kitiinikud |
| Lokaliteet | Ikla puurauk |
| Sügavus (m) | 515.7 |
| Stratigraafia | Juuru lade |
| Litostratigraafia | Õhne kihistu |
| Koguja | Nestor, Viiu |
| Asutus | TalTech geoloogia instituut |
Sirvi e-Maapõues
See lehekülg kasutab Matomo, et analüüsida liiklust ja aidata meil lehekülje kasutajakogemust parandada. Me töötleme teie IP aadressi, vaadatud lehti, laadimisaegu ja seadme informatsiooni. Neid andmeid töötleme ainult meie.


