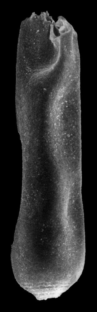
Eksemplar
GIT 190-28

| Kollektsiooni nr. | GIT 190 |
| Number | 190-28 |
| Vana nr. | Ch 1479/7903 |
| Tüüp | mikrof. SEM alusel |
| Rühm | kitiinikud |
| Lokaliteet | Rapla puurauk |
| Sügavus (m) | 189.5 |
| Stratigraafia | Volhovi lade |
| Kogumise aeg | 1984 |
| Koguja | Nõlvak, Jaak |
| Asutus | TalTech geoloogia instituut |
Sirvi e-Maapõues
See lehekülg kasutab Matomo, et analüüsida liiklust ja aidata meil lehekülje kasutajakogemust parandada. Me töötleme teie IP aadressi, vaadatud lehti, laadimisaegu ja seadme informatsiooni. Neid andmeid töötleme ainult meie.


