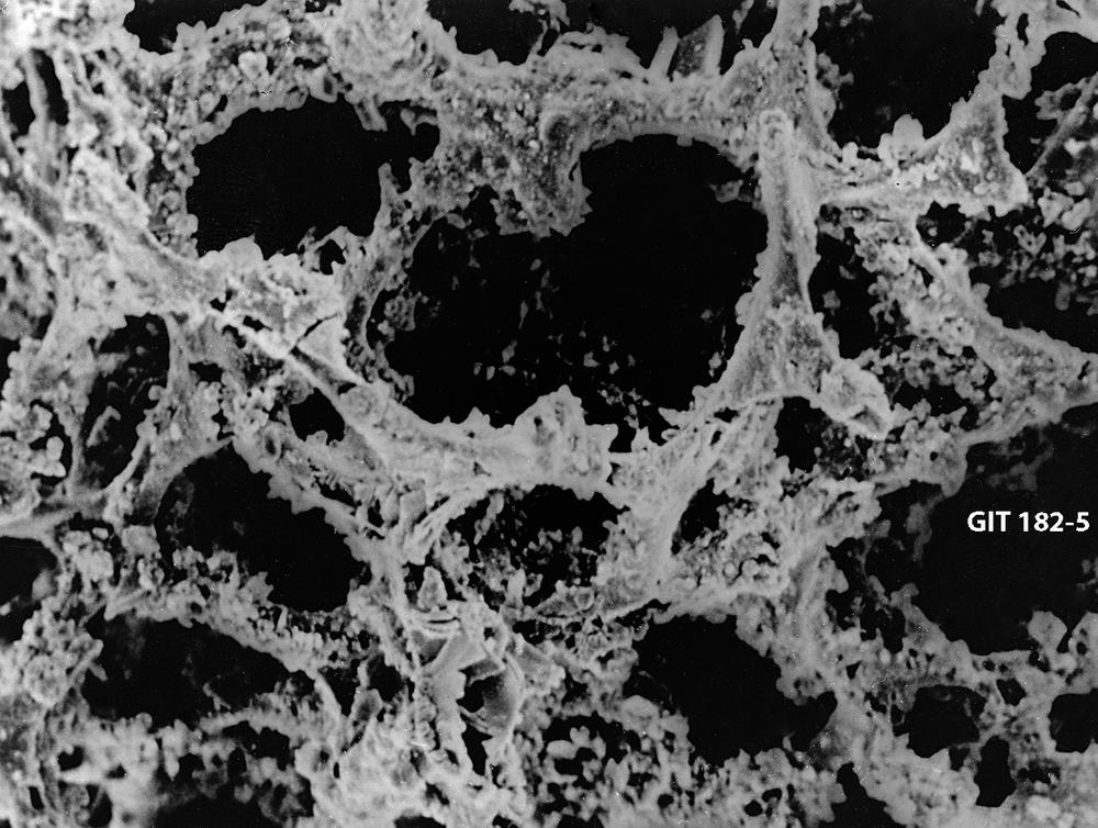
Eksemplar
GIT 182-1



| Kollektsiooni nr. | GIT 182 |
| Number | 182-1 |
| Vana nr. | R 1/5408 |
| Originaali staatus | holotüüp |
| Tüüp | tervik |
| Rühm | radiolaarid |
| Lokaliteet | Eikla 508 puurauk |
| Sügavus (m) | 279.5 |
| Stratigraafia | Nabala lade |
| Litostratigraafia | Saunja kihistu |
| Stratigraafia lisainfo | Saunja Formation |
| Koguja | Nõlvak, Jaak |
| Asutus | TalTech geoloogia instituut |
Sirvi e-Maapõues
See lehekülg kasutab Matomo, et analüüsida liiklust ja aidata meil lehekülje kasutajakogemust parandada. Me töötleme teie IP aadressi, vaadatud lehti, laadimisaegu ja seadme informatsiooni. Neid andmeid töötleme ainult meie.


