Eksemplar
GIT 272-97

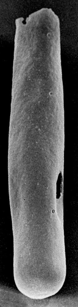
| Kollektsiooni nr. | GIT 272 |
| Number | 272-97 |
| Vana nr. | Ch 348/1682 |
| Tüüp | mikrof. SEM alusel |
| Rühm | kitiinikud |
| Lokaliteet | Ruhnu 500 puurauk |
| Sügavus (m) | 584 |
| Stratigraafia | Raikküla lade |
| Koguja | Nestor, Viiu |
| Proov | M-1682 |
| Asutus | TalTech geoloogia instituut |
Sirvi e-Maapõues
See lehekülg kasutab Matomo, et analüüsida liiklust ja aidata meil lehekülje kasutajakogemust parandada. Me töötleme teie IP aadressi, vaadatud lehti, laadimisaegu ja seadme informatsiooni. Neid andmeid töötleme ainult meie.


