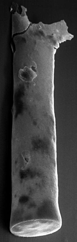
Eksemplar
GIT 223-13

| Kollektsiooni nr. | GIT 223 |
| Number | 223-13 |
| Vana nr. | Ch 218/1213 |
| Tüüp | mikrof. SEM alusel |
| Rühm | kitiinikud |
| Lokaliteet | Sõru 400 puurauk |
| Sügavus (m) | 37.3 |
| Stratigraafia | Adavere lade |
| Litostratigraafia | Rumba kihistu |
| Koguja | Nestor, Viiu |
| Asutus | TalTech geoloogia instituut |
Sirvi e-Maapõues
See lehekülg kasutab Matomo, et analüüsida liiklust ja aidata meil lehekülje kasutajakogemust parandada. Me töötleme teie IP aadressi, vaadatud lehti, laadimisaegu ja seadme informatsiooni. Neid andmeid töötleme ainult meie.


