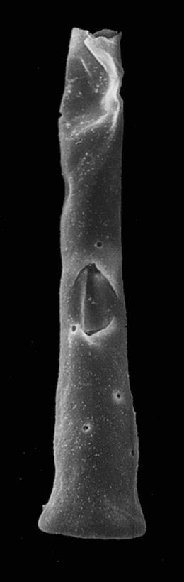
Eksemplar
GIT 544-36

| Kollektsiooni nr. | GIT 544 |
| Number | 544-36 |
| Tüüp | mikrof. SEM alusel |
| Rühm | kitiinikud |
| Lokaliteet | Kerguta 565 puurauk |
| Sügavus (m) | 178.49 |
| Stratigraafia | Aseri kihistu |
| Litostratigraafia | Aseri kihistu |
| Koguja | Bauert, Heikki |
| Asutus | TalTech geoloogia instituut |
Sirvi e-Maapõues
See lehekülg kasutab Matomo, et analüüsida liiklust ja aidata meil lehekülje kasutajakogemust parandada. Me töötleme teie IP aadressi, vaadatud lehti, laadimisaegu ja seadme informatsiooni. Neid andmeid töötleme ainult meie.


