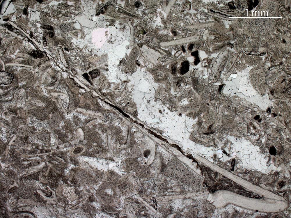
Eksemplar
GIT 550-437





| Kollektsiooni nr. | GIT 550 |
| Number | 550-437 |
| Tüüp | õhik / piil |
| Rühm | settekivimid |
| Lokaliteet | Viki puurauk |
| Sügavus (m) | 360.5 |
| Stratigraafia | Kunda lade |
| Kogumise aeg | 2005 |
| Koguja | Shogenova, Alla |
| Asutus | TalTech geoloogia instituut |
Sirvi e-Maapõues
See lehekülg kasutab Matomo, et analüüsida liiklust ja aidata meil lehekülje kasutajakogemust parandada. Me töötleme teie IP aadressi, vaadatud lehti, laadimisaegu ja seadme informatsiooni. Neid andmeid töötleme ainult meie.


