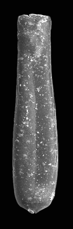
Eksemplar
GIT 423-18

Kollektsiooni nr. | GIT 423 |
Number | 423-18 |
Tüüp | mikrof. SEM alusel |
Rühm | kitiinikud |
Lokaliteet | Ventspils D-3 puurauk |
Sügavus (m) | 807 |
Stratigraafia | Telychi lade |
Koguja | Nestor, Viiu |
Asutus | TalTech geoloogia instituut |
Sirvi e-Maapõues
See lehekülg kasutab Matomo, et analüüsida liiklust ja aidata meil lehekülje kasutajakogemust parandada. Me töötleme teie IP aadressi, vaadatud lehti, laadimisaegu ja seadme informatsiooni. Neid andmeid töötleme ainult meie.